8 (800) 775 40 55
Звонок из регионов России
бесплатный!
бесплатный!
Профессиональный строительный инструмент и оборудование
Каталог инструментов
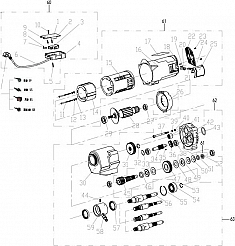
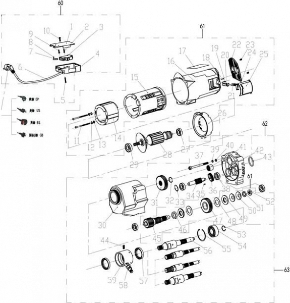
Установка алмазного бурения Saturn OB-205
Установка алмазного бурения Saturn OB-205 (Сатурн ОБ-205) предназначена для сверления круглых отверстий Ø 20 – 205 мм в бетонных, железобетонных, базальтовых, асфальтовых и других поверхностях под трубы вентиляции, теплоснабжения, водоснабжения и подобных коммуникаций.
Производитель: SATURN (САТУРН) – Россия.
Преимущества установки алмазного бурения Saturn OB-205:
- Корпус двигателя из алюминия хорошо отводит тепло во время работы
- Встроенная механическая и электронная защита от перегрузок
- Надежная алюминиевая стойка
- Небольшой вес
- Рукоятка для переноса
- Поставляется в картонной коробке
Цена и технические характеристики установки алмазного бурения Saturn OB-205:
Оборудование для алмазного бурения
- Установка алмазного бурения
- Установка алмазного бурения с микроударом
- Дрель алмазного сверления
- Дрель с микроударом для алмазного бурения
- Керноотборник для асфальтобетона
- Двигатель алмазного бурения
- Двигатель алмазного бурения с микроударом
- Станина для алмазного бурения
- Станина для алмазного бурения с микроударом
- Алмазные коронки
- Доп. оборудование к технике алмазного бурения
-
Машина для прочистки канализационных труб Kern Sweeper 125Диаметр труб: 20 - 125 ммДлина труб: 30 мЦена: 69 500 руб.
-
Алмазные коронки по железобетону Kern Diamond Bit Concrete Premium 28 ммДиаметр: 28 ммРабочая длина: 450 ммЦена: 5 000 руб.
-
Алмазная коронка для сухого сверления подрозетников с микроударом Адель Diamond Hit DH-D400 82/65 ммДиаметр: 82 ммРабочая длина: 65 ммЦена: 5 300 руб.
-
Алмазная коронка для сухого бурения с микроударом Адель Diamond Hit DH-D400 25 ммДиаметр: 25 ммРабочая длина: 450 ммЦена: 3 400 руб.
-
Алмазная коронка для сухого бурения с микроударом Адель Diamond Hit DH-D400 42 ммДиаметр: 42 ммРабочая длина: 450 ммЦена: 4 200 руб.
-
Желобонакаточный станок Remmers Mustang 2-6Диаметр труб: 2" - 6" (50,8 - 177,4 мм)Мощность: 0,9 кВтЦена: 169 000 руб.
-
Алмазная коронка для сухого бурения с микроударом Адель Diamond Hit DH-D400 56 ммДиаметр: 56 ммРабочая длина: 450 ммЦена: 4 800 руб.
-
Ролик прикаточный фторопластовый на подшипнике СварПом 20 ммИсполнение: на подшипникеШирина: 20 ммЦена: 3 662 руб.
Новости
-
26.11.2025Новые поступления для серьёзной работы: спираль и адаптер от Crocodile
-
21.11.2024Поступление желобонакатчиков GruvMaster - Новинка на Российском рынке!
-
27.12.2023С новым 2024 годом!
-
20.12.2022Режим работы в Новогодние праздники
-
12.10.2022ФСБ сообщила о попытке теракта с ПЗРК «Игла» в Подмосковье










Отзывы
Оставьте Ваш отзыв